Intrac - схема контроллера кассового бокса

В этом форуме обсуждаем все профессиональные темы, для которых нет отдельных веток.

Модераторы: Sonc, siall, Tasha

Ответить
vladimir
Сообщения: 24
Зарегистрирован: 10 июл 2015, 10:38
Контактная информация:

Intrac - схема контроллера кассового бокса

Сообщение vladimir »

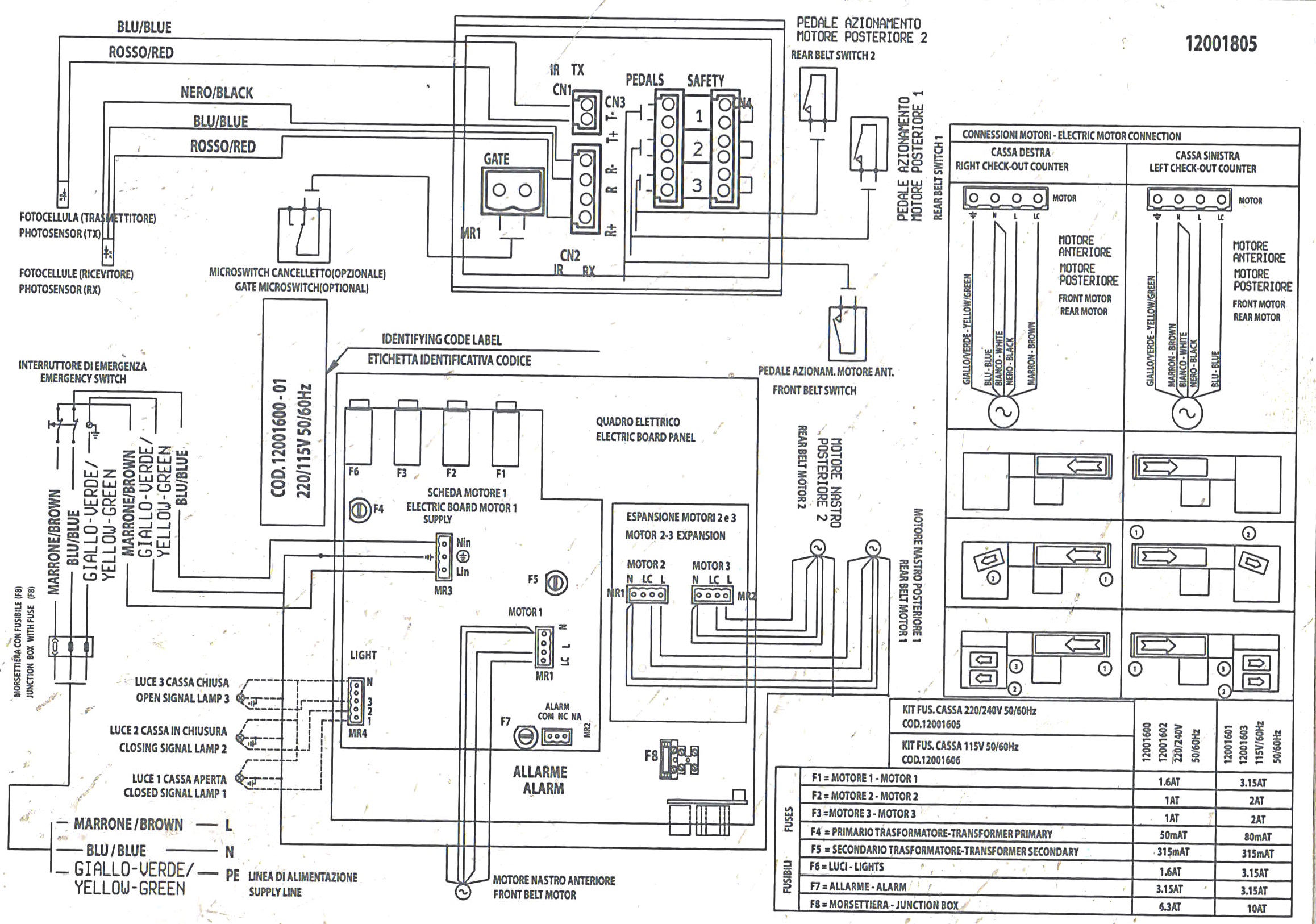
видел на форуме описание кассовых боксов. решил поделиться схемой своего, может кому пригодится.
Вложения
intrac.jpg
Аватара пользователя
Zipstore
Сообщения: 663
Зарегистрирован: 13 ноя 2012, 14:18
Контактная информация:

Intrac - схема контроллера кассового бокса

Сообщение Zipstore »

Можете в комментариях к теме в блоге тоже ссылку на форум с этой темой дать. Такие вещи бывает очень помогают людям.
Ответить

Вернуться в «Общий форум»

Кто сейчас на конференции

Сейчас этот форум просматривают: нет зарегистрированных пользователей и 1 гость