Практический ремонт блока питания для ККМ Феликс РК.
Продолжение материала, практический ремонт блока питания.Посмотреть.
В предыдущем материале мы рассмотрели основы диагностики при замене пускового конденсатора при использовании ШИМ контроллера с малым коридором гистерезиса (UVLO) на примере UC3843, пусковой конденсатор сел до 18 мкФ и блок питания не запускался. В этом материале рассмотрим ШИМ контроллер UC3842 с широким коридором гистерезиса. Забегая вперед, пусковой конденсатор сел до 0,6мкФ, однако блок питания запускался, хотя и проваливался под нагрузкой.
![]() |
![]() |
![]() |
| Рис. Блок питания, вид сверху | Рис. Блок питания, вид снизу | Рис. Блок питания, вид сбоку |
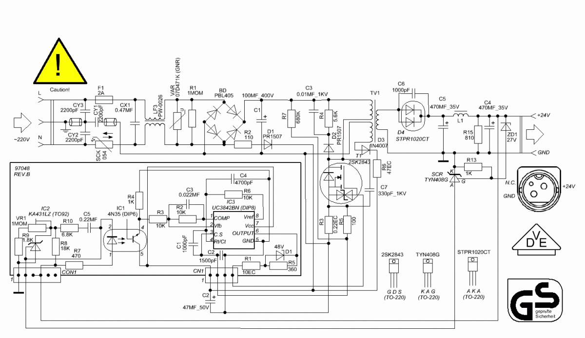
Рис. Схема блока питания Феликс РК (взято с сайта коллег)
Схема была найдена на сайте коллег. В других источниках, в том числе на сайте производителя - Атол, схемы найти не удалось. Схема довольно любопытна, рассмотрим только ее интересные и тонкие места.
|
Уже после публикации материала на email пришла документация на источник питания PW-060A-01Y240, которая очень сильно совпадает с рассматриваемым блоком питания . Документации с espec.ws отот 1Rezistor. PW-060A-01Y.pdf - описание блока питания (посмотреть) Рис. Схема электрическая принципиальная блока питания PW-060A-01Y240 |
Для начала исправим небольшие неточности в схеме, так как немного непонятно, как питается микросхема после запуска, а нас как раз интересует именно эта цепочка.
Рис. Схема блока питания Феликс РК (доработатнная)
Ошибка не принципиальная и так понятно, что на пусковой конденсатор никто не будет подавать переменное напряжение. Если в схеме и есть другие ошибки, то они непринципиальные, и на них можно не обращать внимание.
Оригинально организована схема первичного запуска, напрямую сетевое переменное напряжение через R2(33К) и D1 заряжает конденсатор С2 (47мкФ*50В), который служит для запуска микросхемы IC3 (3842B). Если честно не до конца понятно - зачем используется такое решение, очевидно для более мягкого пуска. Зато очевидно, что такой фокус пройдет только для 3842 и 3844 (есть шанс что 3843 и 3845 просто не стартанут, из за своей узкой петли гистерезиса).
В рассматриваемом блоке питания видим отсутствие Y конденсатора между первичной и вторичной обмотками, вместо него установлен конденсатор С7 (330). Можно предположить, что он справляется с ВЧ помехой, которая передается через паразитную межобмоточную емкость на выход (24В).
На питание фискального регистратора идет три провода: +24В, Земля и Нейтраль сети 220В. Причем нейтраль и земля соеденены со стороны блока питания.
Отсутствие гальванической развязки между входным 220В и выходным 24В, сдалано на манер блока питания от компьютера.
Рис. Отсутствие гальванической развязки между входом и выходом блока питания.
Ремонт.
В предыдущем ремонте мы рассмотрели основные шаги с чего надо начинать ремонт импульсного блока питания, не будем утяжелять этот материал очевидными вещами. П1-П4 можно посмотреть в предыдущем материале. Начнем сразу с П5.
Проверяем напряжение питания на ШИМ контроллере IC1(UC3843).
Собственно, пусковой конденсатор С2 (47мкФ*50В) имеет емкость 0,6 мкФ. Конденсатор под замену.
| До | После | |
| Напряжение питания (7 нога), на картинке после замены конденсатора размах сигнала 1 клетка 0,5В | ![]() |
![]() |
| Источник опорного напряжения (8 нога) | 0В | +5В |
| Генератор (4 нога) | ![]() |
![]() |
| Выход (6 нога) | ![]() |
![]() |
Проверка выходного напряжения на нагрузку.
Проверка на лампу 12В показала странный результат, лампа подмаргивала, моргания были хаотичные. Вот, что творится на выходе.

Рис. Напряжение на выходе блока питания 1 клетка 10В
Замена конденсаторов результатов не дала. Причем до и после дросселя L1 сигнал практически не менялся, после замены дросселя L1 картина сильно изменилась.

Рис. Напряжение на выходе блока питания 1 клетка 1В
Моргала лампа, скорее всего от срабатывания цепи защиты от перенапряжения ZD1, R9(1,8кОм), SQR1 TYN408G (обратите внимание, в схеме возможна ошибка по этой цепи, рекомендуется ознакомится с другой схемой.

Комментарий не относящийся к ремонту или Дон Кихот и ветрянная мельница.
На самом деле комментарий очень даже относится к ремонту, а конкретно пункту Проверка выходного напряжения на нагрузку.
При ремонте на 3 ноге был обнаружен выброс, который в свою очередь накладывался на 4 ногу и мог срывать генерацию.
![]() |
![]() |
| З нога | 4 нога |
Что мы и видели на выходном напряжении в виде выбросов в 10В, и который успешно победили подбором дросселя.
![]() |
![]() |
| Напряжение на выходе блока питания 1 клетка 10В. До замены дросселя. | Напряжение на выходе блока питания 1 клетка 1В. После замены дросселя. |
После четвертого ремонта выяснилось, что дроссель тут не причем, виновата конструкция блока питания. Дело в том, что на время ремонта был снят защитный экран, результат можно посмотреть на осцилограммах, выбросы практически отсутсвуют. Если Вас напрягают эти выбросы киньте перемычку на время ремонта вместо экрана.
![]() |
![]() |
| Генератор со снятым экраном | Генератор с установленным экраном |
Вообще на третьей ноге с выбросами должна была справиться цепь подавления выброса от индуктивности рассеяния CY(10нФ), D2, R4 (56кОм). К ней должна была присоединиться цепь Датчика тока и его цепей R3 (0,22 Ом), R5(100 Ом), C2(1,5 нФ). Но этого не происходит, что может говорить о неисправности этих цепей, однако это не так. Специально был разобран абсолютно новый блок питания, там такая же картина.
Жаль времени на поиск неисправности там, где ее нет. Можно предположить параметры обвязки считались по формулам, без проверки на макете, либо использовалось нестандартное решение.



















0 комментариев